記事サポート
2026年1月25日
Interface編集部
2026年1月号別冊付録 ESP32ではじめるPLCプログラミング サポート・ページ
注:2026年1月6日現在,OpenPLC Editorのバージョンが3から4に変更されています.対応はこちら
サンプル・プログラムもV4に対応しましたこちら
第2部第6章表1 標準的なファンクション一覧
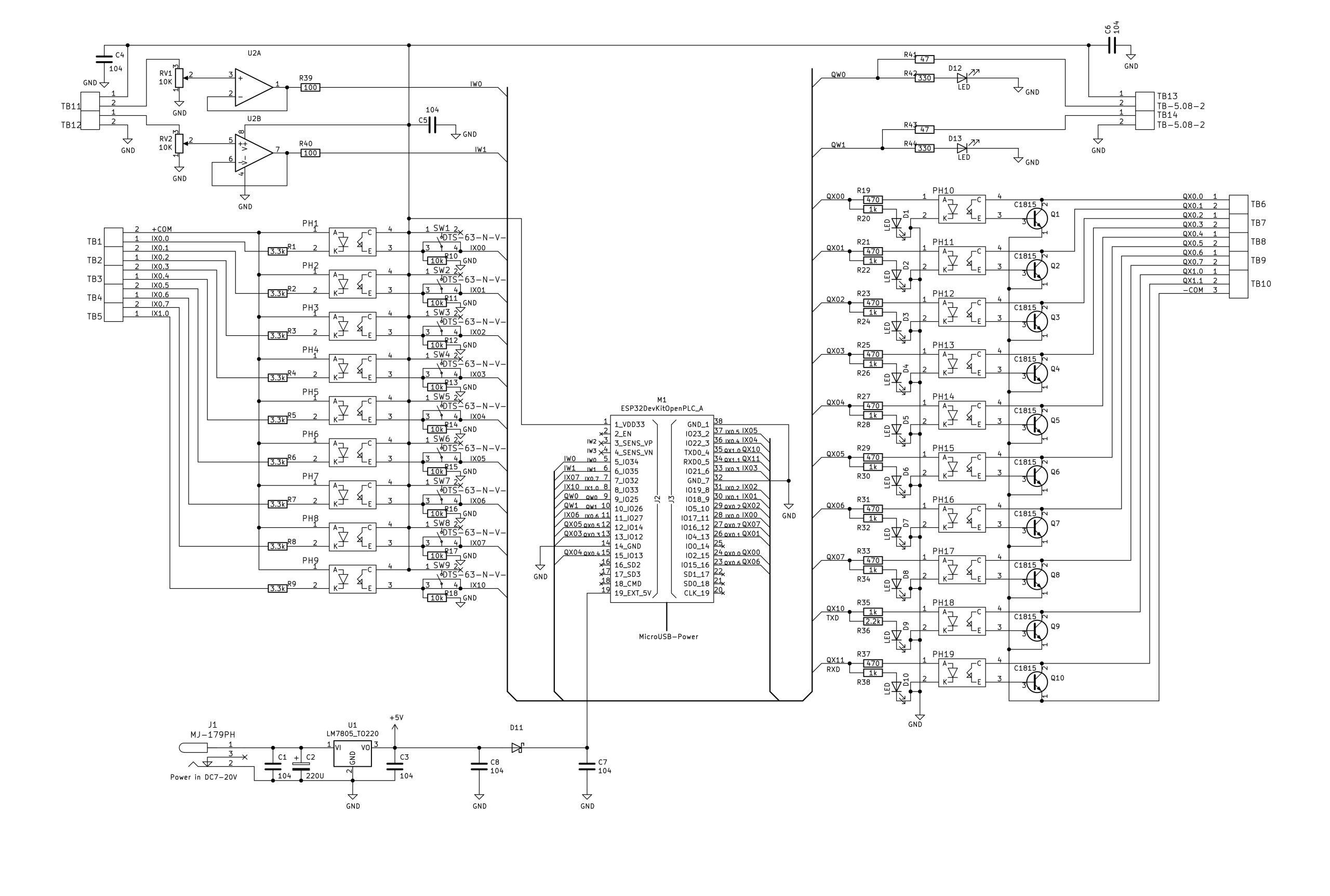
●誤記訂正 11ページ:表1 R19は1kΩ→470Ω,R35は470Ω→1kΩ (回路図とプリント基板の表記は合っています)
アイソレートI/O基板の回路図はこちら

秋月電子通商さんから部品セットを販売中です.
ESP32-DevkitC用アイソレートI/O基板パーツセット
https://akizukidenshi.com/catalog/g/g129479/
ESP32-DevKitC用アイソレートI/O基板
https://akizukidenshi.com/catalog/g/g131484/

















